+86 15603181870
amy@chnhose.com
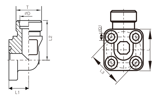
Conexión de brida de bomba Elow
| PART NO. | THREAD | TUBE O.D | DIMENSIONS | Accessories | WORKING PRESSURE | |||||
| T1 | TUDE O.D. | L | L1 | L2 | L3 | D1 | BOLT | O-RING | Mpa | |
| ICFG9-16-35 ICFG9-18-35 ICFG9-22-35 ICFG9-26-35 ICFG9-22-40 ICFG9-26-35 ICFG9-30-40 ICFG9-36-40 ICFG9-45-40 IDFG9-24-35 IDFG9-30-35 IDFG9-30-40 |
M16X1.5 M18X1.5 M22X1.5 M26X1.5 M22 X1.5 M26X1.5 M30X2 M36X2 M45X2 M24X1.5 M30X2 M30X2 |
10 12 15 18 15 18 22 28 35 16 20 20 |
39 39 39 39 42 42 42 42 42 39 39 42 |
16.5 16.5 16.5 20.5 22.5 22.5 22.5 28 34 20 25 22.5 |
38 38 38 38 38 38 38 40 41 38 45 40 |
35 35 35 35 40 40 40 40 40 35 35 40 |
6.5 6.5 6.5 6.5 6.5 6.5 6.5 6.5 6.5 6.5 6.5 6.5 |
M6X22/M6X35 M6X22/M6X35 M6X22/M6X35 M6X22/M6X40 M6X22/M6X40 M6X22 M6X22 M6X22/M6X50 M6X22/M6X60 M6X22/M6X40 M6X22/M6X45 M6X22/M6X45 |
20X2.5 20X2.5 20X2.5 20X2.5 20X2.5 20X2.5 26X2.5 26X2.5 26X2.5 20X2.5 20X2.5 26X2.5 |
31.5 31.5 25 25 10 10 10 10 10 31.5 31.5 25 |